-
Krister.Ich möchte kurz sagen, wie beeindruckt ich von den bisherigen Ergebnissen der Laserzielen bin. Vielen Dank für Ihre Arbeit und Ihre Anstrengungen! Ich kann es kaum erwarten, das Endergebnis zu sehen! -
ChrisIch wünschte, mehr Unternehmen würden Ihrem Beispiel folgen und mit ihren Kunden interagieren. -
- Ja.Ich habe den holographischen Anblick erhalten, ich versuche ihn gerade, und er scheint gut zu funktionieren, wie angekündigt.Ich habe einige Flecken oder Fingerabdrücke auf den Linsen bemerkt.Es gibt ein paar kleine Dinge, die geändert oder verbessert werden könnten, aber ich werde sie in -
RyanDie Präzision und die Parameter entsprechen meinen Erwartungen. -
ThomasIch muss sagen, Ihre holographische Sicht ist wirklich beeindruckend... sie kann definitiv mit EOTECH konkurrieren!
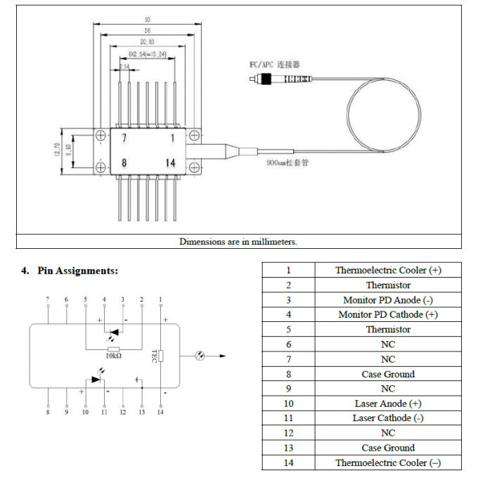
1030 nm 200 mW Einmoden-Laserdiode im Butterfly-Gehäuse mit TEC und optionalem Treiber
Treten Sie mit mir für freie Proben und Kupons in Verbindung.
WhatsApp:0086 18588475571
wechat: 0086 18588475571
Skype: sales10@aixton.com
Wenn Sie irgendein Interesse haben, leisten wir 24-stündige Online-Hilfe.
x| Produktname | Fasergekoppeltes Laserdiodenmodul im DFB-Butterfly-Paket | Wellenlänge | 1030nm |
|---|---|---|---|
| Ausgangsleistung | 200,0 mW | Lasermodus | CW |
| Eingangsspannung | DC 5.0V | Stecker | FC/PC, FC/APC, SMA905 |
| Fasertyp | PM980 | Lebensspanne | 10.000 Stunden |
| Hervorheben | 1030 nm Einmoden-Laserdiode,200 mW Butterfly-Gehäuse Laser,Faserlasermodul mit TEC |
||
1030 nm 200 mW PM1030 Ein-Modus-Laserdioden-Schmetterlingspaket mit TEC und optionalem Treiber
Beschreibung des Produkts
Die...Laserdiode der AMLD-Serie 1030 nmist ein hochleistungsfähiger Ein-Modus-Laser, der für Präzisionsanwendungen entwickelt wurde.Multiquantum well (MQW) Chipin einemhermetisch versiegelte 14-Pin-Schmetterlingspackung, integriert mit einemthermoelektrische Kühlvorrichtung (TEC),Thermistor,Überwachungsfotodiode, undoptischer Isolator, um sicherzustellen,stabile Leistung, schmale Linienbreite und langfristige Zuverlässigkeit.
Die Laserdiode istmit einer Breite von mehr als 20 mm,und unterstützt eineoptionaler Lasertreiber mit Temperaturregler. Der Fahrer stelltpräzise Steuerung von Strom und TemperaturüberRS-232-Schnittstelleundspezielle Steuerungssoftware, die eine externe Überwachung, einen stabilen Betrieb mit konstantem Strom und eine hochpräzise Temperaturverwaltung ermöglichen.
Dieses Lasersystem ist ideal fürLaboratorienexperimente, Tests mit Glasfaser, industrielle Anwendungen, und alle Verfahren, diehohe Stabilität und wiederholbare Leistung.
Spezifikationen
|
Artikel 1 Absatz 1 |
Die Angabe der Angabe ist in Anhang I zu entnehmen. |
|
Modellnummer |
DFB Butterfly Package Faserkopplungs-Laserdiodenmodul |
|
Wellenlänge |
1030 ± 2 nm |
|
Ausgangsleistung |
200 mW |
|
Lasermodus |
CW |
|
Verbrennungsgrad im Seitensystem |
50 dB |
|
Polarisierungs- und Aussterbungsquote |
≥ 18 dB |
|
Betriebsspannung |
5.0V/3A |
|
Relative Geräuschstärke |
≤ 140 dB/Hz |
|
Art der Faser |
PM980 |
|
Betriebstemperatur |
-20°C bis 70°C |
|
Abmessungen |
30x12 mm |
|
Faserlänge |
1m |
|
Verbindungsstück |
FC/PC, FC/APC, SMA905 |
|
Lebensdauer |
10,000 Stunden |
Eigenschaften
● Hochleistungs-Einmodenausgangmit enger Linienbreite
●Stabiler und zuverlässiger Betriebbei unterschiedlichen Temperaturen und Umweltbedingungen
●IntegriertTEC, Thermistor und Monitor-Fotodiodefür eine präzise Kontrolle
●mit einer Breite von nicht mehr als 15 mmKonstruktion für eine einfache Integration in optische Systeme
●Optionale Lasertreiber und Temperaturregler
Anwendungen
Die 1030nm DFB Butterfly Package Faserkopplungs-Laserdiodenmodule mit TEC und optionalem Treiber werden in:
● Wissenschaftliche ForschungIdeal für Interferometrie, Spektroskopie und Labor-Laser-Experimente, die eine enge Linienbreite und eine stabile Ausgabe erfordern.
●Verstärker mit Glasfaser:geeignet für das Pumpen von EDFAs und SOAs bei der Optiksignalverstärkung und -prüfung.
●Fiber Sensing:Verwendet in FBG-Sensoren und verteilten Fasersensorsystemen (DTS/DAS).
●Industrie und Laserverarbeitung:Anwendbar für Präzisionsmessungen, Kalibrierungen und optische Instrumente.
●Telekommunikation und optische Netze:Für Ausrichtung, Prüfung und Signalübertragung in Glasfasersystemen.
Handelsbedingungen
1) Zahlung: T/T, PayPal, Western Union usw.
2) Versand:FedEx, DHL, UPS usw.
3) Lieferzeit: 5 - 20 Tage.
4) Versandbedingungen: FOB Xi'an China
Warum Sie uns wählen
EineÜber 20 Jahre Laser Erfahrung.
BGroßanlage von 4.500 m2 und mehr als 180 Fachkräfte.
C- Verwenden Sie Original-LDs von Arima, Osram, Nichia und so weiter, um die Zuverlässigkeit zu gewährleisten.
DHergestellt in unserer ISO9001:2008 Qualitätssystem Fabrik.
EDas Produkt entspricht den FDA-, IEC- und GB-Standards.
FStarke Design- und Produktionskapazitäten, Partner berühmter Marken.
![]()


